服務熱線:
15066501213
聯系人:夏經理
聯系電話:15066501213 400-0088-096
郵箱:xiawei@dzxp.com
地址:山東省德州市運河經濟開發區新區服務管理辦公室盛業路66號
詳細介紹
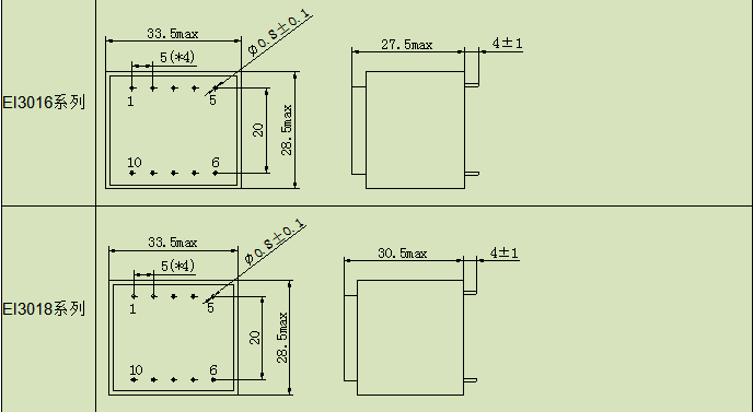
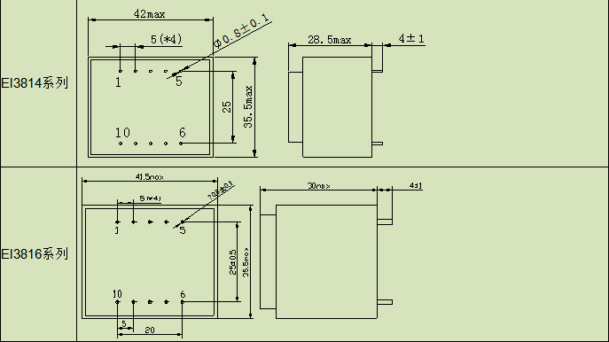
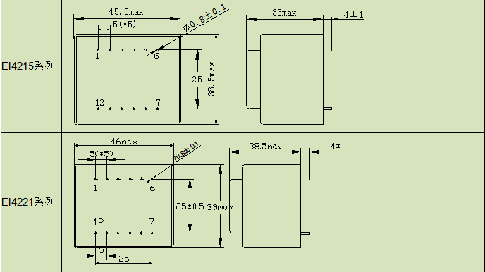
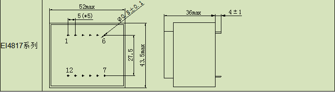
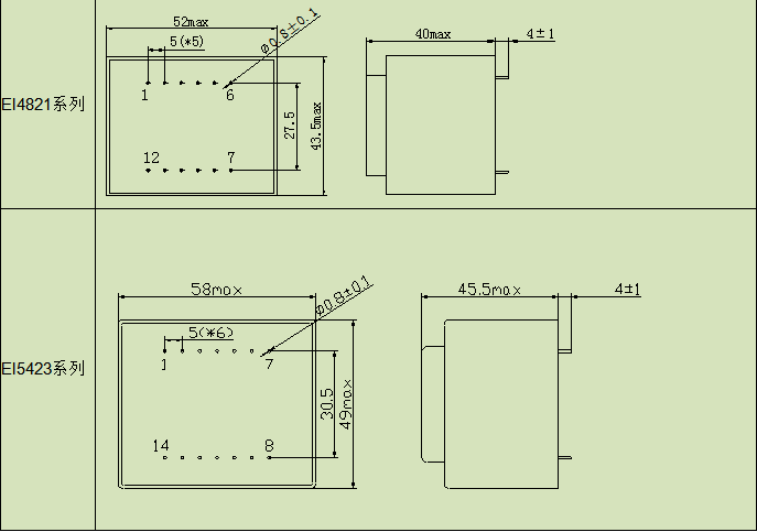
EI3011 -EI5423小型電抗器
● 電感量
● 疊加電流
● 優良的溫度波動電阻特性
● 高電氣安 全和長壽命的特點
● 高絕緣電阻
● 操作溫度范圍:0℃to +70℃
● 貯存溫度范圍:-40℃to +120℃
● 100 % 生產測試
電氣原理圖SCHEMATIC DIAGRAM
產品參數ELECTRONIC SPECIFICATIONS:





